Aller au contenu

Rattrapage à Molsheim (Bas-Rhin) le 15 janvier 2016

Featured Replies

Publication:

Salut !

Il semblerait qu'il y ait eu une pénétration en canton occupé sur feu vert en BAL. Voir ici.

Quelqu'un a des infos ?

Modifié par Roukmoute

  • Réponses 36
  • Vues 8,4k
  • Création
  • Dernière réponse

Les plus actifs dans ce sujet

Most Popular Posts

  • Cela faisait déjà un p'tit moment que je les serrais,, pas fâché de ne plus être en première ligne vu tout ce qu'il se passe.

  • Attah : l'Open data est ton ami(e) : "Pénétration en canton occupé du train n°754533, avec signal d'entrée du canton (C169) présentant l'indication "VL". Le train de ma

  • TRAXX186
    TRAXX186

    On va finir par serrer les fesses en roulant 

Images publiées

Publication:

Tu penses à ça ? :

" Le 15 janvier : une pénétration en canton occupé avec le signal d'entrée présentant voie libre à la suite d'échauffement de câbles à Molsheim."

(Temps réel Sécurité du mois de janvier - pas de mention "interne ou ne pas transférer" donc je me permets)

Publication:
  • Auteur

Échauffements de câbles le 15 janvier ??? Fucking changement climatique ! ^^

Publication:

Attah : l'Open data est ton ami(e) :

"Pénétration en canton occupé du train n°754533, avec signal d'entrée du canton (C169) présentant l'indication "VL". Le train de matériel voyageurs vide 754533 (Rothau-Strasbourg) rencontre respectivement un signal présentant l’avertissement puis un signal à voie libre (feu vert) qu’il franchit à 30 km/h. Le conducteur reprend sa vitesse dans le canton censé être libre, mais aperçoit, alors qu’il roule à 83 km/h, les signaux de queue d’un train de fret circulant à distance sur la même voie. Il enclenche le freinage et stoppe sans qu’il y ait rattrapage effectif. Le conducteur avise l’agent circulation de cette situation contraire à la sécurité et applique les prescriptions réglementaires de protection d’obstacle. La situation est figée et il est constaté que la présentation du feu vert perdure alors que le train 754533 est arrêté dans le canton, 1000 mètres en aval du signal. Un défaut d’isolement du câble de signalisation est dans un premier temps identifié. Il est alors fait appel aux agents câbliers. Ces derniers découvrent ensuite une avarie du câble dans un caniveau situé à 300 mètres du PRG de Molsheim. Un feu de palettes aurait détruit l’isolant et mis en contact accidentel les conducteurs, ce qui aurait alimenté le circuit de voie libre."

https://ressources.data.sncf.com/explore/dataset/incidents-securite/?sort=date

Publication:

même précédent apparemment que pour les 2 25500 du côté de Lyon. Ayant biberonné au BAL, je tombe de haut (pas comme les relais !!)

Publication:

On va finir par serrer les fesses en roulant 

Publication:
il y a 53 minutes, TRAXX186 a déclaré:

On va finir par serrer les fesses en roulant 

Cela faisait déjà un p'tit moment que je les serrais,, pas fâché de ne plus être en première ligne vu tout ce qu'il se passe.

Publication:
il y a 5 minutes, pzorba75 a déclaré:

Faut que G. Pepy fasse d'urgence de la communication pour aider les agents de SNCF à comprendre les incidents sans qu'il y ait d'accidents, ce qui est une performance de SNCF.

Bonjour,

... et en clair, celà donne quoi ta demande ?

Publication:

...mais dites moi que l'on cauchemarde...

en conception d'automatisme, laisser une telle lacune, c'est juste pas possible.....

..j'ai eu il y a qq temps le même probléme dans une grande ligne droite, de nuit,  d'un avertissement précédent un signal à voie libre....sur une ligne récement basculé du BAPR en BAL.

Application musclée de la régle de l'avertissement, qui amenne, normal, le MA100 à faire un arrêt accidentel, signalement immediat de la situation bizarre à l'AC du secteur, pas de circulation connue devant nous, pas de signal eteint sur la reprise de la marche ( très prudente..."çapue "..) et le signal commandant l'entrée du canton suivant etait bien celui aperçu de loin à voie libre.....

..le canton suivant etait bien libre....

à la lecture de cet "incident", il est devenu probable de fortement douter, et donc à parcourir, aussi et par prudence, le canton suivant en marche à vue.???....

les deshuntages, les rats, et puis quoi encore ........!!!!!!:Smiley_50:

 

Fabrice

Modifié par Fabr

Publication:
il y a 10 minutes, Fabr a déclaré:

...mais dites moi que l'on cauchemarde...

en conception d'automatisme, laisser une telle lacune, c'est juste pas possible.....

..j'ai eu il y a qq temps le même probléme dans une grande ligne droite, de nuit,  d'un avertissement précédent un signal à voie libre....sur une ligne récement basculé du BAPR en BAL.

Application musclée de la régle de l'avertissement, qui amenne, normal, le MA100 à faire un arrêt accidentel, signalement immediat de la situation bizarre à l'AC du secteur, pas de circulation connue devant nous, pas de signal eteint sur la reprise de la marche ( très prudente..."çapue "..) et le signal commandant l'entrée du canton suivant etait bien celui aperçu de loin à voie libre.....

..le canton suivant etait bien libre....

à la lecture de cet "incident", il est devenu probable de fortement douter, et donc à parcourir, aussi et par prudence, le canton suivant en marche à vue.???....

les deshuntages, les rats, et puis quoi encore ........!!!!!!:Smiley_50:

 

Fabrice

Dans ton cas, c'est un fonctionnement que l'on peut juger de normal, feu du voie libre grillé sur le signal de l'avertissement et il bascule sur l'indication inférieurement plus restrictive, je ne sais plus qui a expliqué ce fonctionnement sur le forum, et cela empêche d'avoir un signal éteint et ici, cela va dans le sens de la sécurité car quoi de plus banal de rencontrer un VL après un avertissement, même si on voie les 2 en même temps

Publication:
il y a 7 minutes, ADC01 a déclaré:

car quoi de plus banal de rencontrer un VL après un avertissement, même si on voie les 2 en même temps

Tu es sûr de toi sur cette affirmation ???....c'est la première fois que je constate celà....pour moi, c'est avertissement, puis signal eteint que l'on ne voit pas ( de nuit et en alignement...)

Fabrice

Publication:

j'ai beau chercher, je ne vois pas non plus comment c'est possible. ADC, explique stp  !

Publication:
il y a 41 minutes, Fabr a déclaré:

Tu es sûr de toi sur cette affirmation ???....c'est la première fois que je constate celà....pour moi, c'est avertissement, puis signal eteint que l'on ne voit pas ( de nuit et en alignement...)

Fabrice

Oui, je suis sur et je l'ai rencontré fréquemment dans ma carrière, une indication dont le feu ne s'allume peut être remplacé par celle immédiatement restrictive, ainsi un avertissement peut être remplacé par un sémaphore.

Publication:

le raisonnement electrique se tient... un detecteur de consommation indiquera en chutant à zero, une indication lumineuse absente, ..dés lors, si c'est un montage discriminant, il peut faire s'afficher une indication plus imperative....

à contrario de ce raisonnement, s'oppose celui du signalement rapide d'une anomalie, ainsi un semaphore rencontré systématiquement fermé, signe d'un equipement en panne, a bcp plus de chance d'être signalé....

"..ainsi un avertissement peut être remplacé par un sémaphore.." : ce cas là repond au second point, mais pas celui du basculement VL vers Avertissement...

 

Fabrice

Modifié par Fabr

Publication:

Ce fonctionnement à été expliqué par Viveletrainàvierzon et cela s'appelle le report d'indication.

Publication:

trouvé...

 

"...Mais si la lampe de A grille, il y a repport à S donc à une indication non prévue dans le programme de signalisation (dans les plans techniques) mais prévue dans les repports de la formule de BAL 83, c'est le report au deuxième niveau! premier niveau la lampe de VL grille: repport à A , deuxième niveau la lampe de A grille: repport à S.."

 

Fabrice

 

Publication:

Qu'il est beau le relais RpA. Sinon tout systeme peut etre faillible n'oublions pas que si le cable a fondu les paires sont court circuités et les alimentations mélangés. Il ni a rien meme de securité qui ne resistera a cela et un VL à la place du S ce n'est pas normal mais un avion qui perd une helice en plein vol ce n'est pas normal non plus et pourtant cela existe.

Amicalement
 

Publication:
il y a 54 minutes, ADC01 a déclaré:

Oui, je suis sur et je l'ai rencontré fréquemment dans ma carrière, une indication dont le feu ne s'allume peut être remplacé par celle immédiatement restrictive, ainsi un avertissement peut être remplacé par un sémaphore.

Oui, c'est désagréable, un sémaphore inopiné, hein?  Mais c'est du passé. 

Publication:

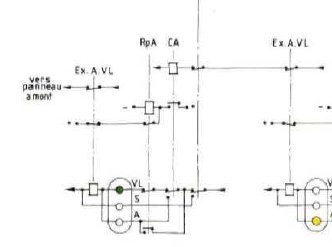
Tiens un bout de schéma si lampoule crame le relais Ex chute en chutant et comme le A aval n'est pas commandé le RpA chute et lui commande l'indication A sur le panneau.
 

RpA.jpg

Publication:

Quand on a eu l'occasion de voir le dimensionnement des composants, et le sérieux d'une armoire electrique type SNCF, comparé à de l'industriel de base, je me dis que c'est trop bête de se faire pieger par de "stupides" cables....

 

Fabrice

Publication:

C'est un peu comme pour stocker de l'electricité on n'a rien trouvé de mieux que la batterie. Le cable est a l'electricité ce que l'oxygene est aux humains. Si seulement Tesla avait reussi son projet de transporter de l'electricité sans support physique.

Amicalement
 

Publication:

Ce n'est pas la première fois, entre autres une sombre histoire à Saint-Pierre il y a pas mal d'années (bien avant le tram...)... et je ne voudrais pas vous faire peur mais ce ne sera pas la dernière, parti comme c'est parti en plus... le block automatique plus sûr que le block manuel unifié? Peut-être, sauf si on rabiote sur l'entretien curatif et surtout préventif. Après les rats les palettes... et vive l'automatisme laissé à lui-même et vivent les courts-jus.

Un "feu de palettes", hum. Et personne n'avait pensé qu'il y avait des câbles dessous? Personne n'a vérifié les câbles après "le feu de palettes"? Personne ne l'avait signalé "le feu de palettes"? Et d'abord c'est quoi ces palettes?

Heureusement que le conducteur du matériel vide a fait preuve de vigilance et de professionnalisme!

Quand je disais que le feu-vert ne veut pas dire voie-libre, contrairement au mauvais usage qui est fait du terme...

Encore du boulot pour le BEA-TT qui ne chôme pas, par les temps qui courent. :Smiley_27:

Publication:
Il y a 3 heures , Fabr a déclaré:

Quand on a eu l'occasion de voir le dimensionnement des composants, et le sérieux d'une armoire electrique type SNCF, comparé à de l'industriel de base, je me dis que c'est trop bête de se faire pieger par de "stupides" cables....

 

Fabrice

Et pourtant un câble de signalo est loin 'être un "stupide" câble. Bien blindé contre les perturbations électromagnétques, assez costaud mécaniquement si on ne lui met pas un coup de godet de grue dans la tronche, une logique de cablâge qui fait que celui qui connait comment ça marche peut retrouver ses numéros de conducteurs (dans le sens "fil électrique" pas dans le sens conducteur de train) sur un câble sectionné en plein milieu....

Mais ils ne sont pas ignifugés... 

En même temps on est pas censés faire du feu de palettes juste dessus. A voir d'où il vient ce feu. Vandalisme? Equipe locale qui a eu une bonne idée pour se réchauffer pendant la pause? Ça parait con mais j'ai eu le coup sur des travaux de renouvellement de voie en plein mois de février par -12°. Les gars de l'entreprise de travaux allument un feu pour se réchauffer. C'est strictement interdit mais bon au vu des conditions je pense tolérer le truc. Sauf qu'en allant voir sur place (et puis profiter un peu de la chaleur, soyons honnêtes) j'ai vu qu'ils avaient rien trouvés de mieux que d'allumer le dit feu sur une chambre de tirage de câbles. "Bah oui forcément chef, c'est le seul endroit où c'est sec. Sinon le feu part pas." (sur ce type de chantier quand on ne sait pas trop à qui on à affaire on s'appelle tous "chef" pour être sur de ne froisser personne). Il n'y a pas eu de dégâts sur les câbles mais si aucun SE ne passait dans le coin à ce moment là, ça aurait pu faire très mal!

Publication:

Hélas : le "défaut d'isolement" reste un truc vicieux et dangereux... Le feu, les rats, l'usure des isolants, l'humidité, etc... c'est comme le reste : plus la possibilité de tout vérifier - changer à temps ? Mais des collègues retraités me disent que ça a toujours existé donc il faut sans doute aussi se dire que tout ne peut pas être "blindé" partout tout le temps... (sauf que ça fait beaucoup de choses ces derniers temps grmbl)

 

Publication:

Disons que ça fait pour le moment bien moins de bruit que l'affaire Brétigny, du ressort du domaine de la voie....

Pourtant Denguin est un très sérieux avertissement....comment ne pas penser que l'unique dogme de reduction des personnels n'a pas, à l'instar des autres services de la SNCF, eut un effet globalement negatif, sous couvert de gains de productivité, par l'industrialisation de la maintenance, et l'abandon du "couteux" sur mesure de la surveillance locale ( celle qui connaît bien ses signaux, ses armoires, ses petites particularités...) ???

Fabrice

Modifié par Fabr

Créer un compte ou se connecter pour commenter

Information importante

Nous avons placé des cookies sur votre appareil pour aider à améliorer ce site. Vous pouvez choisir d’ajuster vos paramètres de cookie, sinon nous supposerons que vous êtes d’accord pour continuer.

Configure browser push notifications

Chrome (Android)
  1. Tap the lock icon next to the address bar.
  2. Tap Permissions → Notifications.
  3. Adjust your preference.
Chrome (Desktop)
  1. Click the padlock icon in the address bar.
  2. Select Site settings.
  3. Find Notifications and adjust your preference.