Aller au contenu

Reno

Membre
  • Inscription

  • Dernière visite

Tout ce qui a été posté par Reno

  1. Effectivement avec un Bac+2/3 tu rentreras comme Attaché TS.
  2. Effectivement, il y a quelques IN et RH intéressantes mais rien de bien extraordinaire. Par exemple, il n'y a pas l'IN 1604 qui traite du freinage et de la composition des trains. Faut bien savoir qu'il y a des textes qui sont classés "Concerne la sécurité des circulations" et qui n'apparaîtront pas sur un site étant donné qu'ils ne sont même pas téléchargeable depuis intranet (faut faire une demande auprès de la Gestionnaire Documents pour se les fournir).
  3. J'ai modifier le post ainsi que certaines de mes réponses en y ajoutant des photos, car il y avait des erreurs et des imprécisions. Bonne lecture... helpsoso
  4. C'est toi le spécialiste ! J'avais pas fais attention, mais c'est vrai.
  5. Les meilleurs DVD que je connaissent sont ceux de Jacques Chaussard des Editions du Cabri. Et le top du top c'est celui sur les CC 7100 et Crocodiles (BB 12000-13000 et CC 14000-14100). C'est mon avis...
  6. De quelle poignée parles-tu ?
  7. Si elle n'est pas radiée, je ne sais pas ce qu'il vont en faire étant donné que le compartiment central est littéralement dépouillé ! Elle était en attente avec trois 63000 pour se faire ferrailler ! (désolé Ibrahima)
  8. Il avait ses raisons mais ne doit pas généraliser, ni dénigrer le travail des conducteurs ! helpsoso
  9. Pour infos, faites bien attention aux "coudes" entre les bras inférieur et supérieur des pantos SX, ils sont fragiles. J'en veux pour preuve : http://www.cheminots.net/forum/uploads/monthly_02_2007/post-2268-1172140875.jpghttp://www.cheminots.net/forum/uploads/monthly_02_2007/post-2268-1172140902.jpghttp://www.cheminots.net/forum/uploads/monthly_02_2007/post-2268-1172140925.jpghttp://www.cheminots.net/forum/uploads/monthly_02_2007/post-2268-1172141038.jpg On peut clairement distinguer sur les photos que ce sont les "coudes" qui cassent ou se tordent en premier. D'ailleurs, leur fragilité est reconnue, alors ouvrez l'oeil (et le bon) lors de vos VAr ! helpsoso
  10. un message dans un sujet a répondu à Reno dans Matériel roulant ferroviaire
    Super site même si je ne suis pas d'accord avec les distances d'arrêt qui sont communiquées (peut être que ses sources sont plus précises que les miennes). De plus, j'apporte une précision sur la formule "imbuvable" de Prédelucq que l'on utilise pour déterminer les distances minimales d'annonce : Merci beaucoup pour ce lien très intéressant et très instructif.
  11. Message pour CC 40104 : Evite de parler de la Traction en générale et évite de nous mettre tous dans le même panier ! Moi aussi je pourrai faire des généralités avec le comportement de certains ASCT. On ne cautionne pas forcément tout ce qui est dit sur ce forum, alors relax... -Reno-
  12. La nature humaine est parfois horrible... je vais vous expliquer pourquoi : - Un dimanche matin en revenant de Sotteville avec un train à destination de Valenton, je m'engage sur la GC juste après Sartrouville, je passe quelques crans pour atteindre 100 km/h juste avant le sectionnement et je ramène tout. J'observe donc mes crans qui redescendent pour pouvoir ouvrir mon DJ et une fois tout élimé je l'ouvre et "redresse" la tête pour observer la voie. Et là, qu'est-ce que j'apperçois devant moi ! Un bonhomme en train de traverser gentiment sur un passage planchéïé qui permet de relier les 2 rues séparées par la voie de chemin de fer. Je siffle, tape l'urgence, il me ragrde, accélère le pas mais pas suffisamment pour m'éviter. Le choc est donc inévitable... Je prends les mesures d'urgence, informe le régulateur et je retourne auprès de la victime en espérant qu'elle n'est pas décédée mais juste bléssée. En arrivant sur les lieux, quelques badaus étaient déjà sur place mais seulement des personnes d'un certain age (60 ans environ). On recouvre la personne qui est décédée, on récupère ses affaires personelles et là, je vois un jeune con qui s'approche de moi et commence à me prendre la tête sur le fait que je roulais vite, que c'était de ma faute,... Je commence à chauffer et lui explique que ce n'est pas le moment d'être aussi con et qu'il vaut mieux qu'il s'arrête. Au même moment, je vois qu'il y a de plus en plus de monde qui penettre sur les voies et j'essaie de les faire dégager mais je suis SEUL et pas grand monde ne mécoute. Mais l'horreur arrive quand je me met à "rediscuter" avec ce jeune, un abruti fini passe dans mon dos et quand je me retourne je vois qui soulève le manteau de la victime pour se rincer l'oeil ! Alors là, j'ai la nausée car son comportement est digne d'un charognard et je lui demande ce qu'il fait et lui dit qu'il est malade tout en lui signifiant de dégager. Heureuement les pompiers et les policiers sont arrivés et ont pris les choses en main. Ouf... Je suis resté plus de 2h sur place et j'ai pu constater de la perversité des gens. Ils viennent assister à un spectacle ! - une autre fois où je faisais de la ligne D, 2 jeunes femmes sont venus me voir pour me prévenir qu'on venait de leur voler leurs sacs à main. J'ai alors fait appeler la SUGE pour essayer d'attraper le voleur car il était encore dans la rame. Je suis donc resté à quai mais voilà que quelques minutes à peine un homme en costume cravatte vient aux nouvelles d'une façon assez agressive. Je lui explique la situation en lui précisant qu'on a pas passé d'annonce pour ne pas faire fuire le voleur. Du coup, le gars s'énerve et commence à nous insulter moi et un collègue. Le collègue s'énerve et j'essaie de le calmer. Enfin bref, tout rentre dans l'ordre mais le bonhomme nous a insulté de tout les noms sans se soucier de ces 2 jeunes femmes qui ont d'ailleurs assisté à la scène. Il ne pensait qu'au retard que cela occasionnait. Quel comportement débile ! Pas le temps de me relire donc désolé pour les éventuelles fautes. -
  13. un message dans un sujet a répondu à Reno dans Matériel roulant ferroviaire
    Tu m'étonnes !
  14. un message dans un sujet a répondu à Reno dans Matériel roulant ferroviaire
    Ca pourra toujours servir à d'autres...
  15. Non, c'est le "piston" qui départage les candidats ! lotrela
  16. un message dans un sujet a répondu à Reno dans Matériel roulant ferroviaire
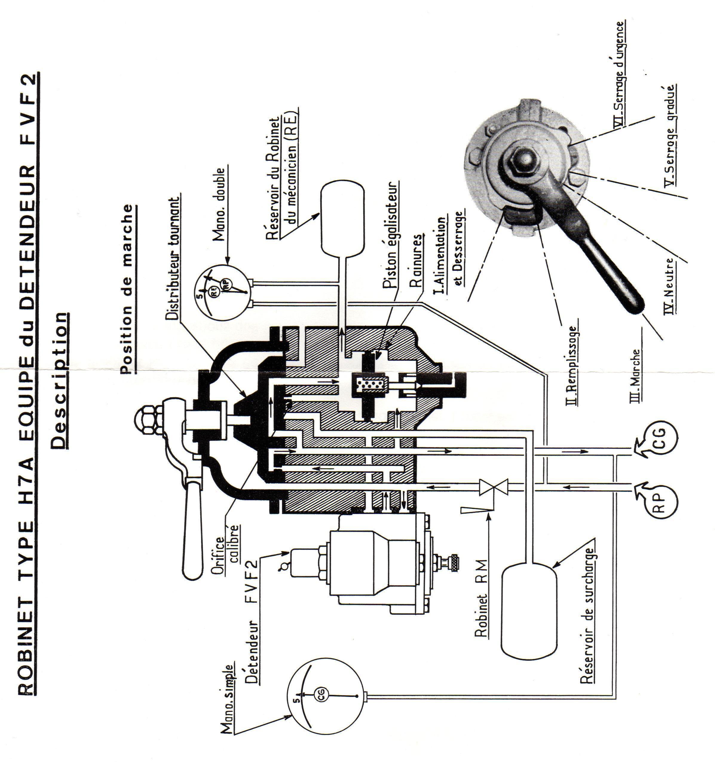
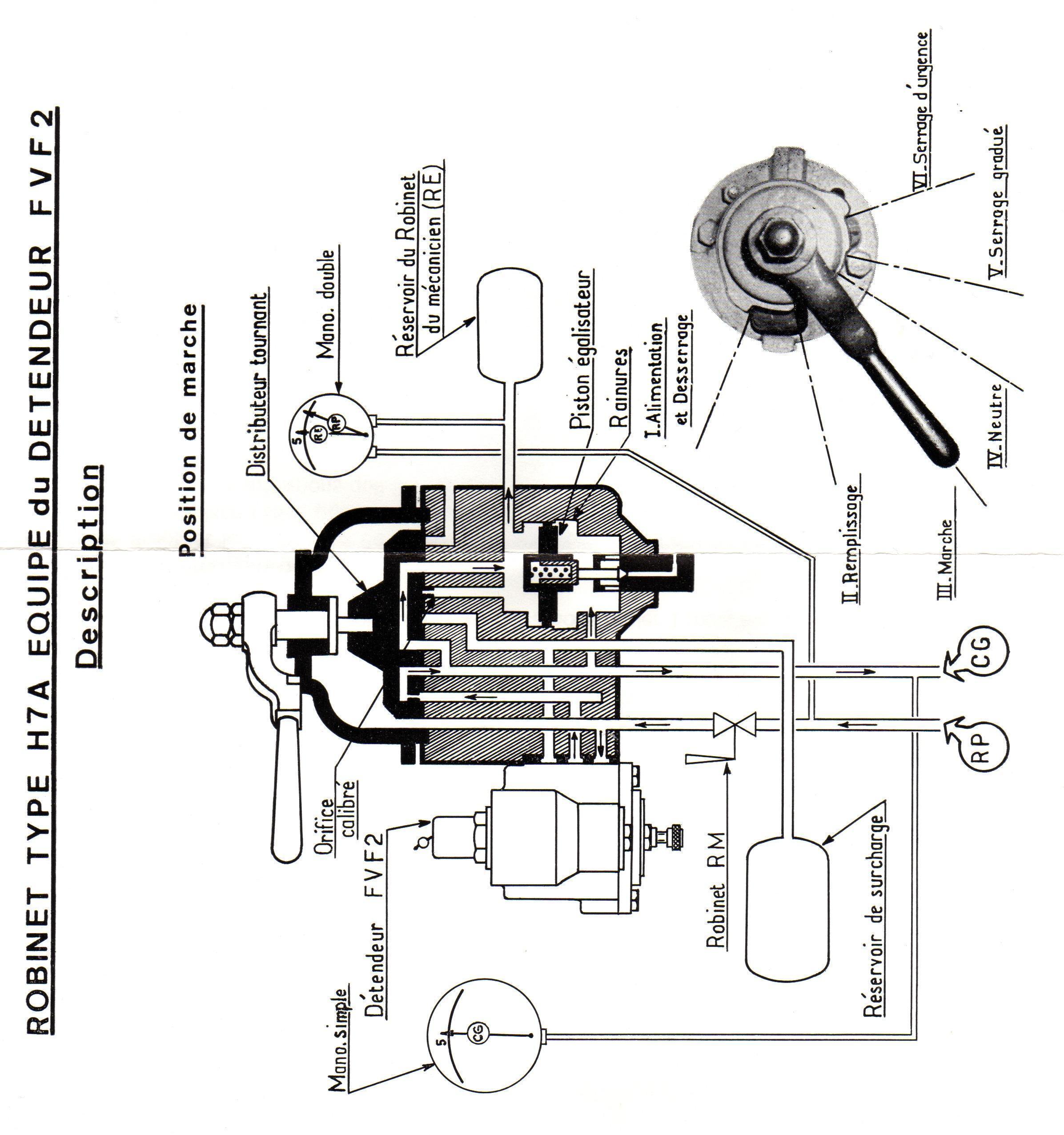
    Pour compléter ta collection, un petit schéma du H7A et de son détenteur FVF2 : Et comme ça avait l'air de vous intéresser, je rajoute un schéma du PBL1 : Merci qui ? koiquesse
  17. J'ai enfin eu quelques infos mais pas de retour particulier sur des problèmes imputables au froid ou à la neige. En tous cas pour ce qui est des 27000 de LNS.
  18. La GC aussi c'est vraiment une ligne "merdique" pour les accidents de personnes, surtout entre de la Bif de Stains à Sartrouville ! Le pire, je crois que c'est entre Argenteuil et Sartrouville. Rien qu'au niveau du sectionnement, il y a eu plusieurs personnes de tapé alors qu'ils traversaient. On se demande ce qu'ils attendent pour supprimé ce passage. Une fois, j'avais fait un rapport mais pas d'écho ! Pourtant je sais qu'il y avait eu une procédure d'engagé par le procureur. Mais bon, ça n'a pas du aboutir...
  19. un message dans un sujet a répondu à Reno dans Matériel roulant ferroviaire
    Tu voulais savoir quelque chose sur le dispositif "plaine-montagne" ? Alors regarde ce que j'ai touvé pour toi : P_M.doc Bonne lecture ! lapleunicheuse
  20. Moi, mais on a déjà eu l'occasion de communiquer. Il y a plein d'autres CRL sur ce forum.
  21. un message dans un sujet a répondu à Reno dans Matériel roulant ferroviaire
    J'ai d'autres infos intéressantes (temps de serrage et desserrage en fonction du type de TV, diagramme,...) mais je ne sais pas si ça t'intéresse. Alors dis le moi et je te scannerai tout ça à l'occasion.
  22. On s'y croirait presque !
  23. Bien résumé ! okok
  24. Très beau reportage, merci Par contre ton TGV-R ressemble plus à un TGV-SE. Mais bon, mes yeux me jouent parfois des tours... okok

Information importante

Nous avons placé des cookies sur votre appareil pour aider à améliorer ce site. Vous pouvez choisir d’ajuster vos paramètres de cookie, sinon nous supposerons que vous êtes d’accord pour continuer.

Account

Navigation

Rechercher

Rechercher

Configure browser push notifications

Chrome (Android)
  1. Tap the lock icon next to the address bar.
  2. Tap Permissions → Notifications.
  3. Adjust your preference.
Chrome (Desktop)
  1. Click the padlock icon in the address bar.
  2. Select Site settings.
  3. Find Notifications and adjust your preference.